| |
|
|
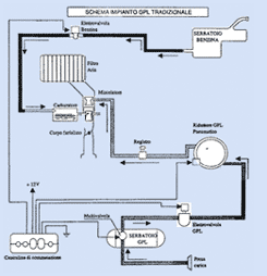
| Il GPL
è un prodotto di raffinazione del greggio, ed anche un gas
naturale, proveniente dai giacimenti petroliferi. Il
GPL è un idrocarburo composto principalmente da una miscela
di propano e butano, e si ottiene dal processo di raffinazione
del petrolio o direttamente per estrazione dopo semplici processi
di separazione dal gas naturale o dal petrolio, con i quali si trova
associato nei giacimenti. |
|
Una delle principali caratteristiche che differenzia butano e propano,
e che quindi ne determina l'impiego, è la tensione
di vapore che corrisponde alla pressione della fase gassosa
in equilibrio con la fase liquida.
La tensione di vapore del propano e del butano aumenta con il crescere
della temperatura.
Il GPL ha allo stato gassoso una massa volumica maggiore dell'aria;
un'eventuale fuga defluisce quindi verso la zona inferiore in cui
il GPL si trova. |
 |
|
Il GPL liquido ha una massa volumica inferiore a quella dell'acqua,
per cui eventuali tracce di acqua presenti nel serbatoio si depositano
sul fondo. Una perdita di GPL in fase liquida è molto più pericolosa
di una allo stato di vapore in quanto, a parità di sezione della
perdita, si ha una maggiore portata massica.
Altra caratteristica del GPL allo stato liquido è la variazione
di volume al variare della temperatura. Il GPL scioglie sostanze
come i grassi, gli oli, le vernici, causa rigonfiamento nelle gomme
naturali e non corrode i metalli e le leghe di più comune impiego.
Ciò spiega l'utilizzo di gomme sintetiche nella realizzazione delle
tubazioni e di acciaio nella costruzione di serbatoi.
|
|
|
Propano e butano sono infiammabili,
come del resto tutti i carburanti. E' importante quindi evitare manipolazioni
dei prodotti in vicinanza di fiamme libere e oggetti ad elevata temperatura.
Il GPL quando è presente in fase gassosa nell'atmosfera, può
formare miscele di facile accensione, delle quali non sempre è
facile individuare la presenza. In fase liquida forma invece una caratteristica
nebbia che si deposita verso il basso ed è altrettanto infiammabile.
Pur non essendo assolutamente velenoso è consigliabile non
respirare il GPL, in quanto possiede caratteristiche
anestetiche.
E' buona norma, inoltre, evitare contatti diretti
con il GPL allo stato liquido che, a causa della rapida evaporazione,
può provocare ustioni da raffreddamento. |
|
CONSIGLI UTILI
- Mantenere sempre un quarto di serbatoio di benzina e cambiarla
regolarmente per evitare incrostazione degli iniettori e pompa benzina
(se gira a vuoto si brucia).
- Sulle vetture iniezione catalitiche si consiglia sempre di lasciare
girare la pompa benzina.
- Se fa molto freddo partire sempre a benzina e dopo alcuni minuti
passare a gas per evitare inutili§
- Saltuariamente fare una decina di chilometri a benzina per consentire
agli organi in gomma della vettura di lubrificarsi.
- Non caricare piu' dell'80% del serbatoio perché
si potrebbe rompere il galleggiante e, in caso di aumento della
temperatura esterna, si avrebbe un notevole incremento di pressione
all'interno del serbatoio.
|
|
| |
|
|